
产品简介 Product Introduction

型号<PartNo> | WS9070-24-S300 |
电压<Voltage> | 24VDC |
完全敞开<Open> | |
转速<Speed> | 28,000rpm |
电流<Current> | 1.4A |
风量<Airflow> | 115L/mim |
完全闭合<Sealed> | |
转速<Speed> | 26,000rpm |
电流<Current> | 2.5A |
风压<Airpressure> | 13.5Kpa |
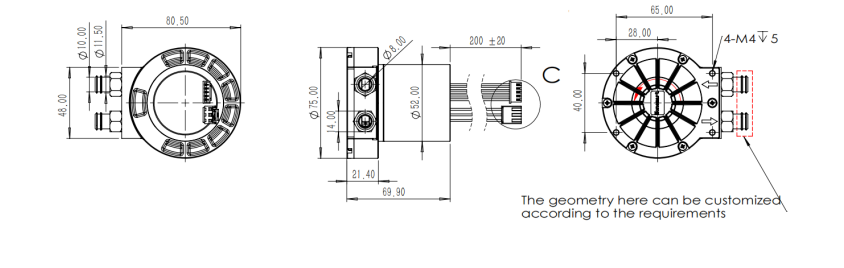
产品外观图纸 Product apꦡpearance drawing
产品参数 Product Parameters
产品型号P/N: | WS9070-24-S300 |
额定电压RatedVoltage | 24[V] |
噪音等级Noise | 80[dBA] |
电机转子磁铁极对数 MotorPolepairs | 1 |
相间电阻Resistance--phasetophase | 0.56~0.62Ω |
相间电感Induction--phasetophase | 0.40~0.46mH |
产品参数 Product Parameters
电机种类 Motor type | 三相直流无刷 Three Phase Brushless |
轴承 Bearing type | 日本NMB轴承NMB Ball bearing |
绝缘等级Insulation Class | Class F |
防护等级Protect Class | IP51 |
使用环境温度Operating Temperature range | -20 deg.C~+50deg.C(没有水珠凝结No Condensation)
|
使用寿命(40度温度环境额定负载点运行) Service Life L10(40 C degree Rated Oper😼ation Point) | 10,000小时 10,000hours |
产品重量Product Mass | 1.5Kgs |
转速与霍尔脉冲关系 | 1Hz=60 r/min |
WS9070-24-S300建议使用24VDC-8A的开关电源 | 24V version choose 24VDC-8A power supply |
性能曲线图 Performance Curve

WS9070-24-S300 [24VDC]
